Трудно представить себе загородный дом или дачу без мебели. Производители предлагают гарнитуры из разных материалов, однако, садовая мебель из дерева остаётся самой популярной. Она экологически чистая, удобная, а при правильном уходе — долговечная.


Почему выбирают мебель из натурального дерева
Древесина — это классика, подходит для моделирования лёгкой мебели и обладает положительными качествами:
- не содержит химических примесей, не выделяет вредные запахи;
- деревянные предметы прочны, легки, имеют длительный срок службы;
- для садовой мебели из дерева не страшны перепады температур, особенно если она покрыта пропиткой или лаком;
- гармонично вписывается в интерьер дома, при желании их красят в нужный цвет;
- из древесины легко изготовить любые необходимые предметы;
- материал обладает теплотой от природы, что очень существенно;
- складная мебель из дерева быстро убирается.
Деревянные предметы требуют правильного ухода, цена у них на порядок выше, чем, например, у мебели из пластика. Но настоящие ценители не делают акцент на эти факты. Тем более сделать комплект садовой мебели можно самостоятельно.
Идеи для дома и дачного участка можете посмотреть в видео.
Что учесть при выборе материала
Древесина — хороший материал для уличной мебели. Она легко обрабатывается, выглядит красиво, особенно комплекты из дерева под старину. После декорирования такие предметы выглядят роскошно. Садовая мебель из массива дерева с отделкой из камня или металла выглядит изящно. Плетёные наборы легки и элегантны. Раскладные наборы очень удобны тем, что быстро собираются и разбираются.
Надёжность комплектов зависит от качества древесины:
- Мебель из бука и дуба не гниёт, она будет прочной.
- Из хвойных пород также выйдут добротные предметы, только нужно удалить смолу, иначе загрязнится одежда.
- Предметы из тика выглядят оригинально за счет природного рисунка. Материал переносит любые климатические изменения, работать с ним легко.
- Чтобы изготовить плетёную мебель, понадобятся мягкие черёмуховые или ивовые ветки.
Учитывайте эти знания при подборе материала.


Чертежи садовой мебели из дерева
Чтобы выполнить работу, понадобятся следующие инструменты:
- Ножовка и лобзик.
- Шуруповёрт, дрель, болгарка.
- Молоток, рулетка.
- Карандаш, угольник.
- Наждачная бумага или машинка для шлифования.
- Крепежные элементы и гаечные ключи.
Для покрытия предметов потребуются:
- пропитка, лак, краска;
- кисточки, валик;
- распылитель.
Также понадобится материал, но сначала составляют эскизы или чертежи с правильно нанесёнными размерами.
Детские качели
Детям на свежем воздухе необходимо оборудовать площадку. Здесь могут располагаться песочница или горка. А также деревянные качели небольшого размера: шириной 30 см, длиной 40 см, высотой 24 см.


Понадобится 12 планок: 2 — на спинку, 5 — на сиденье, 2 — на боковые части и 2 — под сиденье, одну планку нужно прикрепить, чтобы удержать ребёнка от падения.




Шезлонг
Для начала, нужно выбрать деревянную модель, которой подойдет для садового участка. Бывают конструкции комбинированные: ткань + дерево и чисто деревянные. Последние экологически чистые, так как состоят из натурального материала.


Наиболее прочными получаются лежаки из дуба, лиственницы, берёзы, тика, ели. Сосна стоит дешевле, но должна быть хорошо просушена и обработана пропиткой.


Для сборки понадобятся:
- рейки толщиной 18 мм;
- бруски 45 х 45 мм;
- доска — 25 мм.
Размер конструкции 60 х 190 см. Для боковин берут 2 коротких и 2 длинных деревянных бруска, их скрепляют крепёжными уголками, снаружи каркас обшивают досками. К ним шурупами прикрепляют ножки. Из плит нарезают планки 60 х 8 см. У шезлонга регулируемая спинка, для её обустройства конструкцию делят на 2 части. Элементы фиксируют на соединяющие доски и скрепляют дверными петлями.



Готовую конструкцию шлифуют и покрывают лаком.
Лежак
Эта конструкция — одна из моделей шезлонга. Чтобы изготовить лежак, потребуются:
- рейки;
- бруски;
- доски;
- саморезы.
Оптимальными будут следующие размеры: высота — 30 см, длина — 220 см, ширина — 70 см. Доски тщательно шлифуют, собирают раму и прикрепляют к ней ножки. Спинку подсоединяют со стороны головы, она должна регулироваться с помощью пазов. Рейки закрепляют саморезами, оставляя зазоры. Предварительно планки покрывают лаком. К ножкам лежака прикрепляют ролики.
Скамейка
Она должна быть удобной, чтобы отдохнуть комфортно после тяжёлой работы. Сиденья делают из досок или массива. Изучив схему, можно сделать практичную скамейку нужного размера.


| Наименование | Количество деталей | Размеры |
| А | 4 | 36, 6 см х 15,5 см |
| B | 2 | 56, см х 15,5 см |
| C | 1 | 96 см х 15, 5 см |
| D | 2 | 48,5 см х 15,5 см |
| E | 2 | 76 см х 15, 5 см |
| F | 7 | 140 см х 15, 5 см |
Сначала соединяют части А и В, к ним прикрепляют рейку D, которая будет поддерживать сиденье. Затем присоединяется деталь Е. Рейки скрепляют болтами, вторую ножку собирают идентично. Дальше фиксируют планку С, затем F. Между рейками оставляют зазор в 1 см. Выполненное изделие обрабатывают шлифовальной машиной и два раза покрывают лаком.
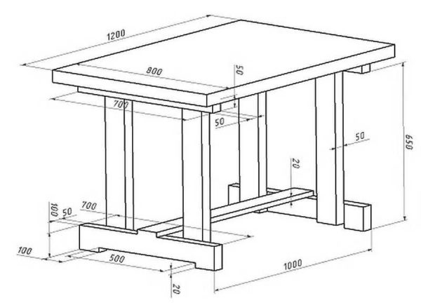
Стол
Из массива или досок можно изготовить простейший стол на 4–х ножках, имеющий сплошную столешницу.


Варианты дачных столиков: чертежи и размеры






Советуем посмотреть видео: изготовление восьмигранного стола своими руками.
Как ухаживать за деревянной садовой мебелью
Правильный уход за предметами садовой мебели продлит срок её службы, сохранит вид. Для этого нужно:
- При длительном неприменении накрывать чехлами, можно даже делать это на ночь.
- Тщательно протирать предметы тряпкой, смоченной в специальном растворе, а несколько раз в год чистить жёсткой щёткой, убирая грязь.
- В качестве обновления дощатую поверхность мебели покрывают морилкой, акриловым лаком или красят.
- Намокшие предметы тщательно протирают, затем просушивают. Несколько раз в год меблировку покрывают маслом. Его наносят толстым слоем, средство хорошо защищает материал.
- Раз в несколько месяцев проводят осмотр на предмет ослабленных креплений или появившихся мелких повреждений.
Поломки необходимо чинить, вплоть до замены испортившихся деталей.
Узнайте из видео: как правильно очистить и отполировать деревянную мебель.
Заключение
Покупка мебели для сада — не совсем дешёвое удовольствие. Поэтому предметы, изготовленные своими руками, вдвойне радуют владельцев. Здесь удаётся сэкономить и насладиться отдыхом на собственных «произведениях».
Обновить и отремонтировать старые предметы мебели будет дешевле, чем покупать новые. Посвежевшая обстановка украсит любое помещение в загородном доме.